当前位置:首页 产品中心 轻触开关系列 轻触开关支架类

产品中心Products

同类推荐Products

联系我们Contact us

  • SH-06G-05
prevnext

轻触开关支架类

产品型号:SH-06G-05

产品名称:6*6双连支架轻触开关

产品规格:上nH下nH(n=4.3/5.0/5.5...)

产品力度:120gf/160gf/250gf

产品特点:直插/波峰焊

产品详情咨询热线:0577-62398888

基本参数/PARAMETER

工作温度 -25~+85°C
额定负荷 DC 12V 50mA
接触电阻 ≤50mΩ
绝缘电阻 ≥100MΩ DC100V
介电强度 AC250V(50Hz) /min
动作力 250g±50g
使用寿命 100000次
开关行程 0.25±0.1mm

尺寸图/Size chart

SH-06G-05-Model-(1)_03.gif

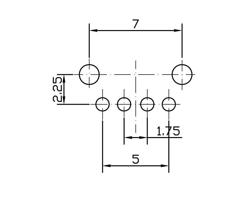
安装孔尺寸图/Mounting hole dimensions

SH-06G-05-Model-(1)_09.gif

电路图/Schematic

SH-06G-05-Model-(1)_11.gif

外观/Specifications

SH-06G-05-Model-(1)_04.gif

注意事项/Precautions

轻触开关系列使用注意事项:

1. 考虑清洗触摸开关时,请协商。 

2. 请不要从触摸开关上面浸入助焊剂。 

3. 请不要事前在开关端子及印刷电路板的零部件贴装面上涂助焊剂。 

4. 进行第2次焊接时,应在开关回复到常温之后进行。

精彩触手可击深虹电子,品质与信誉同行
自主设计开发能力,从来不惧模仿

1、研发设计

独立的生产车间,具备从产品到制程模具

自动化设备的自主生产能力;

研发设计


2、多品类配套

做工精细,多种规格产品

防水/防助焊剂/带LED/超薄/SMD等多功能设计

以配合产品制程安装、使用环境的可信赖使用

多品类配套

做工精细,2000多种规格产品


用心坚持专业,服务从心开始

3、快速响应式服务

用心坚持专业,服务从心开始

24*365小时服务,提供更具竞争力的产品;

高标准、严要求、品质有保障

全国服务热线:0577-62398888

快速响应式服务

采购:SH-06G-05